News
[2010-08-30] released version 0.5.0
- Fix build with old Qt versions.
- Change channel numbers in the I2C menu.
- Fix the entry time edit widget for the measuring time.
- Fix problem that errors during data collection are suppressed on non-Windows platforms.
- Improvements in the I2C analysing code by Jose Aparicio. Add
the capability to analyse some chips like PCF8574/PCF8574A (I/O
expander) and DS1307 (RTC).
- Add a SPI analyzer like it's already there for I2C. Thanks to Kai Dorau for the contribution.
- Make using the protocol analyzers more comfortable and
implement a generic interface so that new analyzers could be added
without adding user interface code.
- Check for updates on startup.
- Don't rely on the QTDIR environment to find the translations.
- Also load the Qt translations from the current working directory. This enables translations on Windows.
[2010-05-15] released version 0.4.0
- Remove the dependency of the Qt3 support library.
[2010-05-14] released version 0.3.2
- Fix two crashes when redrawing the view.
[2010-05-13] released version 0.3.1
- Improve error handling for system errors.
[2010-02-27] released version 0.3.0
- Support for saving and restoring data.
- Simple I2C analyzer, contributed by Jose Aparicio.
- “Official” Windows binaries.
- Updated icon set (current Gtk icons).
- Use Qt4 file dialog, that uses the system file if possible.
- Possibility to build a view-only versions on systems with no libieee1284 like Mac OS.
[2009-11-22] released version 0.2.1
- Use system icons on X11 if compiled with Qt 4.6.0.
- Fix crash when no ports are available.
[2009-11-15] released version 0.2.0
- Port to Qt4.
- Change build system to CMake.
[2008-07-13] released version 0.1.4
- implement own polling function for Parport::waitData() because
the libieee1284-provided polling uses a sleep() between polling,
so the triggering is less accurate as it could be
- change timeout of Parport::waitData() to 1 sec
- check if the parallel port is TRISTATE capable
- triggering is enabled when the mask is not 0x00 and not when it is not
0xff as previously implemented
- fix wrong "Stop" label (accidentally named was "Start")
- fix build for gcc 4.3
[2007-09-21] released version 0.1.3
- export function (CSV)
- updated documentation
Description
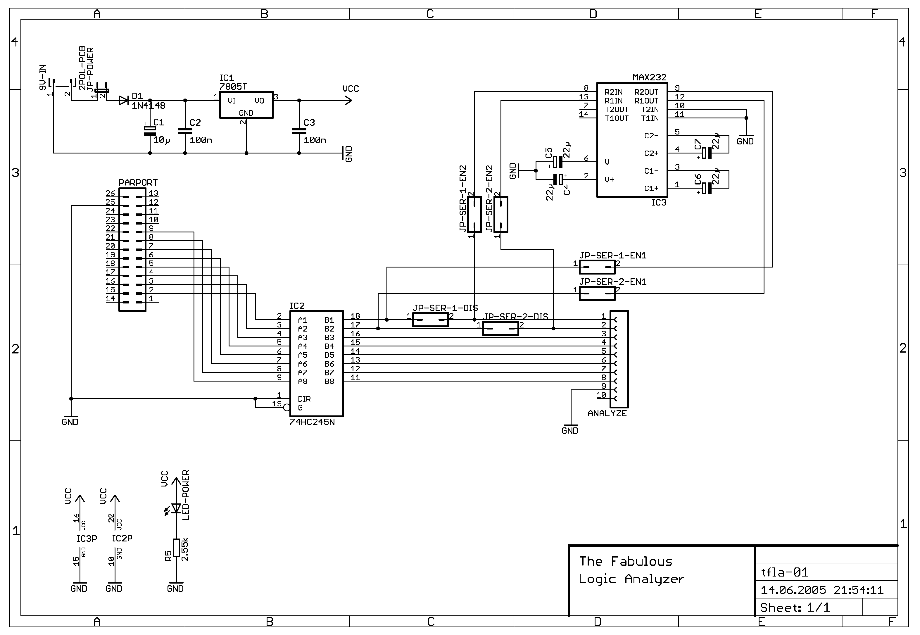
TFLA-01 is a simple logic analyzer for the PC. If you don't know what
a logic analyzer is, you don't need one. This one consists of a simple schematic
which is attached on the PCs parallel port (a real parallel port is highly recommended,
not a USB adapter) and which can analyse H and L levels of 8 inputs. On the PC, there's
running a graphical program which displays the contents.
Features:
- Sample rates up to 1 MHz (depending on the parallel port and the speed of your computer)
- Triggering
- Zooming
- Two markers for which the (estimated) times are displayed
- Application runs completely in userspace, libieee1284 is used for parallel port access.
This means that the installation is easy and the system stays stable.
- multiple supported plattforms
- Linux
- Windows
- OpenBSD (i386 only)
- FreeBSD /i386
- Solaris/x86
Screenshots
Download
Get the source tarball at Berlios download site.
If you use openSUSE, then you can find pre-compiled RPMs in the openSUSE
Build Service. Just use the new »1 click installation« feature. If
you packaged some binary packages, please drop me a note so that I can
link them or include them for download.
The schematic (Eagle and PDF) is also included in the files. You can also view it
online. Read the included documentation for installation
instructions.
The documentation is also avaliable online.
Similar Projects
License, Author
TFLA-01 was written by Bernhard Walle (bernhard at bwalle dot de).
It's licensed under the terms of the GNU
General Public License.
The project is hosted by
.